8 -
The engine control system used on the Multistrada 1200 consists of the following elements:
-
-
-
-
-
-
 
The system also includes conventional sensors for water and air temperature, engine speed-timing etc.
Specific operating strategies
Idle speed
No electric motor is used for idle speed regulation (bypass is modulated instead with the throttle valve), as idle speed control is effected by the ride-by-wire system. Idle speed is maintained by the control unit when the speed drops below a specific threshold and when the clutch lever is operated and/or the gearbox is in neutral. The “clutch lever operated” signal is generated by a button on the lever itself, which interacts directly with the engine control unit. The “gearbox in neutral” signal is generated by the gear sensor connected to the BBS, and is transmitted to the engine control unit via the CAN line (target idle speed with engine stabi­lised at operating temperature is 1,350 rpm) The CO value for each cylinder, always with engine stabilised at operating temper­ature, must be within 0.4 and 1.4 in volume percentage.
Throttle valve aperture regimens
The rider may select between four different riding modes (Sport, Touring, Urban and Enduro) from the dashboard and via the handlebar controls. Each riding mode contains three configurable throttle valve aperture strategies (the engine control calibration parameters, in other terms the maps for quantity of fuel injected and ignition timing advance, are the same for all). This allows the rider to adapt power delivery and maximum power as follows to suit personal preferences:
-
-
-
Inputs and outputs of engine control unit and connection to CAN network
The diagram illustrates the inputs and outputs for the engine control unit. The signals from the brake buttons, the exhaust By-pass valve command signal and the gear sensor signal are transmitted over the CAN line.
 
1I Emergency engine cutout switch
2I Start button
4I Side stand button
6I Clutch button
7I Battery voltage for congruence verification
8I Power from ride-by-wire relay (ETV)
9I Oxygen sensor for horizontal cylinder
10I Oxygen sensor for vertical cylinder
11I MAP sensor for horizontal cylinder
12I MAP sensor for vertical cylinder
13I Main throttle grip position sensor
14I Secondary throttle grip position sensor
15I Main throttle valve position sensor
16I Secondary throttle valve position sensor
17I Engine temperature sensor
18I Air temperature sensor
19I Oil pressure switch (has no effect on any engine control strategy, but information is sent to dashboard via CAN line)
1U Vertical and horizontal cylinder fuel injector
2U Vertical and horizontal cylinder coil
3U Electric ride-by-wire
4U Injection relay (powers fuel pump, injectors and coils)
5U Starter motor relay command
6U Radiator fan relay command
7U Ride-by-wire relay command
8U Oxygen sensor heater for vertical and horizontal cylinder
1C Connection with CAN network
Layout of engine control system and other components
A
B
C
D
Wiring diagram and PIN OUT
Fuses are not shown in the diagram:
1
2
3
4
5
6
7
8
9
10
11
12
13
14
15
16
17
18
19
20
21
22
23
25
26
27
28
29
30
31
33
34
35
36
37
38
39
40
41
42
43
44
45
46
47
48
49
50
51
52
53
54
55
56
57
58
59
60
61
62
63
64
65
66
67
68
The numbering used for the ECU PIN OUTs is shown in the image.
Control unit support removing
Remove the clamps (A) that fasten the front wiring branch (B).
Disconnect the control unit connectors (1), undo the fixing screw (2) of the control unit support bracket (3) and remove the control unit (4).
Undo the screw (5) and remove the pressure sensor (6).
Remove the relays (8) from its own compartment on the control unit support (9).
Undo the screws (7) and remove the control unit support (9).
Refitting the control unit support
Install the cable grommet (10) in the hole of the control unit support (9) and lock it by pressing the pin tightly (C).
Fit the vibration dampers (11) in the corresponding holes of the control unit support (4).
Fit the relay support rubber pads (12) by positioning them as shown in the figure, according to the openings on the control unit support (9), indicated by the red arrows.
Note
Relay support rubbers (12) must be fitted by “pulling“ the corresponding pins (D), on the opposite side of the input side, until they are fixed.
Fit the rubber pads (13), positioning them as shown in figure, on the corresponding holes of the control unit support (9).
Note
The rubber pads (13) must be fitted by “pulling“ the corresponding pins (E), on the opposite side of the input side, until the pro­trusions are completely out (F).
Position the control unit support (9) on the frame by starting and tightening the screws (7) to a torque of 6 Nm± 10% (Sect. 3 - 3, Frame torque settings).
Refit the relays (8) from their own compartment on the control unit support (9).
Position the pressure sensor (6) in the compartment on the control unit support (4) inserting the screw (5).
Refit the control unit (3) in its support (9), connect the control unit connectors (1).
Refit control unit support bracket (3) inserting and tightening the screw (2) to a torque of 2 Nm±10% (Sect. 3 - 3, Frame torque settings).
Refit the clamps (A) that fasten the front wiring branch (B).
 
Fuel system circuit
The fuel system circuit consists of:
-
-
-
-
The plastic mounting shown in the figure and mounted in the fuel tank contains the electric fuel pump (centre), the fuel filter (right) and the pressure regulator (left).
The image shows the housing at the bottom of the fuel tank in which the plastic mounting containing the electric pump, fuel filter and pressure regulator is installed. The fuel level sensor is visible on the right.
The two pipes of the fuel circuit are connected to the bottom of the tank with quick connectors. The connector on the right is for the fuel delivery line (OUT), the connector on the left is for the fuel return line (IN). Always check carefully that the connectors are fitted correctly and that there are no leaks.
The electric connection for the fuel pump is located under the housing for the plastic mounting for the fuel pump, fuel filter and pressure regulator.
Each cylinder is fed by a single injector with a 12-hole atomiser nozzle. These injectors are installed downstream of the throttle valve.
The drawing shows the layout for the fuel system circuit. The pipes (4) with grey arrows are the delivery lines of the electric pump, which carry fuel to the injectors. The pipe (3) with black arrows is the fuel return line. The fuel return line is connected to the pressure regulator, which is submerged in the tank with the pump and the filter. As a result, the pressure in the fuel delivery and return lines is the same.
1
2
3
4
5
The image shows the pipes in the fuel supply circuit. The large diameter pipe at the bottom is the delivery line, the large diameter pipe at the top is the return line and the two small diameter pipes carry fuel to the injectors.
Checking regulated fuel pressure and fuel flow rate
The pressure regulator, submerged in the fuel tank together with the pump and the filter, maintains the same pressure of 3 bar in both the delivery and the return lines. This pressure may be checked by connecting a pressure gauge to a T union connected to one of the two connectors on the tank. To measure this value, the engine must be running or the pump activated from the DDS. The T union means that the both injectors and the fuel gauge receive fuel pressure simultaneously. The regulated fuel pres­sure is 3 bar.
 
To measure the fuel flow rate, disconnect the return line from the tank, place the free end of the line in a graduated container and start the engine or activate the electric pump from the DDS.
Warning
When checking fuel pressure and flow rate by activating the pump from the DDS, check that the battery is fully charged to ensure correct operation of the pump itself.
 
An incorrect fuel flow rate and/or pressure may cause engine malfunction, resulting in variation in the self-adaptive parameters defined by the engine control unit. Fuel flow rate and/or pressure values deviating substantially from the rated values will result in an incorrectly generated fuel-air mixture that is too rich or too lean and, as a result, compromise the measurements made by the oxygen sensors. After changing the fuel pump and/or fuel pressure regulator, always reset the self-adaptive parameters with the DDS and then use the motorcycle (even by simply running at idle speed) to allow the parameters themselves to recalibrate correctly.
Injection and ignition
Introduction
Ignition is via a single stick coil per cylinder installed in the spark plug well. Each thermal unit is supplied by a single injector, placed under the throttle valve. The amount of fuel injected and the ignition advances are determined by the control unit specifically for each cylinder. These basic measures are then corrected by the control unit, according to the information supplied by different sensors fitted on the engine and applying certain strategies, in order to obtain the definitive signals of activation. The DTC function (Ducati Traction Control, integrated in the BBS) acts on throttle valve aperture only to control traction as necessary. The DTC func­tion integrated in the BBS communicates with the engine control unit via the CAN network.
Determination of quantity of fuel injected and ignition advance
The base quantity of fuel injected (defined by the base maps) is determined by the engine control unit using one of two different strategies depending on the operating conditions of the engine:
-
If the throttle valve aperture is below a specific threshold, the base quantity of fuel injected is determined using a strategy de­nominated 'speed-density' (engine speed-intake manifold pressure). There is therefore one base fuel quantity map with coordi­nates correlating the quantity of fuel injected with engine speed-pressure for cylinder 1 (horizontal) and another for cylinder 2 (vertical)
-
If the throttle valve aperture is over a specific threshold, the base quantity of fuel injected is determined using a strategy de­nominated α-n (throttle valve aperture angle-engine speed). There is therefore one base fuel quantity map with coordinates cor­relating the quantity of fuel injected with engine speed-throttle valve aperture for cylinder 1 (horizontal) and another for cylinder 2 (vertical)
-
 
The base ignition advance (defined by the base maps), is determined by the engine control unit using the α-n (throttle valve ap­erture angle-engine speed) strategy. There is therefore one base ignition advance map with coordinates correlating the quantity of fuel injected with engine speed-throttle valve aperture for cylinder 1 (horizontal) and another for cylinder 2 (vertical).
The two diagrams illustrate how the engine control unit determines the base quantity of fuel injected and the base ignition ad­vance.
 
During the progression stage - at throttle valve aperture angles immediately above idle speed angles - using the speed-density strategy allows more precise determination of engine load (air aspirated by engine), resulting in smoother power delivery.
The diagram quantitatively illustrates how pressure in the intake duct varies in relation to increases in throttle valve aperture an­gle. At small aperture angles, the pressure varies considerably (zone A). As a result, the speed-density strategy is used as it allows engine load to be determined more precisely. At larger aperture angles, pressure varies by little (zone B). As a result, the α-n strategy is used to determine engine load more precisely. Both strategies are used in the transitional zone C.
Specific strategies applied to injection and ignition: transitional pickup acceleration, cut-off and rev limiter
During sudden acceleration (high throttle valve apertures), the engine control unit implements the transitional pickup acceleration function (serving a function similar to the accelerator pump used in carburettors) that enriches the mixture to ensure the neces­sary fluid power delivery
 
When the throttle valves are closed abruptly, the engine control unit implements the cut-off function, which reduces the quantity of fuel injected to reduce consumption and emissions. At engine speeds approaching idle, the injection quantity and throttle valve aperture are managed appropriately to prevent stalling.
 
The rev limiter is implemented progressively, reducing the quantity of fuel injected and ignition advance increasingly as the engine speed approaches the maximum limit. Upon reaching the rev limit, no fuel is injected and ignition is disabled.
The injection phase
The injection system is phased, meaning that the engine control unit activates the injectors during the exhaust stroke of each cylinder, so that the air-fuel mixture fills the cylinder correctly during the subsequent intake stroke. The precise instant in which the injector opens is determined by calculating the closure time and the time interval during which the injector is required to re­main open (injection time). The injection phase is defined by two maps containing the crankshaft angles at which the injectors must be closed. One of these maps is for the horizontal cylinder, the other is for the vertical cylinder. These maps contain coor­dinates correlating throttle valve opening-engine speed (α-n).
The diagram illustrates the strategy used to determine the injection phase for each cylinder. The map contains the value A, which varies in relation to engine speed and throttle valve opening (α-n). After calculating the injection time (which equates to an angle B correlated to engine speed), the engine control unit may determine the injection start time - in other terms the injection phase C - by subtraction.
Absolute pressure sensor readings
As the signals generated by the two absolute pressure (MAP) sensors connected to the two intake manifolds are fundamental for the speed-density strategy, it is important to understand how the engine control unit reads these signals. Absolute pressure sensor 1 is connected to the intake duct for cylinder 1 (MAP 1, cylinder 1 - horizontal), whereas absolute pressure sensor 2 is connected to the intake duct for cylinder 2 (MAP 2, cylinder 2 - vertical). Therefore, MAP 1 is associated with the base injection map for cylinder 1 (horizontal) and MAP2 is associated with the base injection map for cylinder 2 (vertical).
The two diagrams compare the engine speed-timing sensor signal with the signals generated by the sensors MAP1 and MAP2. As can be seen, the intake pressure is measured during the intake stroke for each cylinder (zone C).
 
The MAP 1 sensor is also used to measure atmospheric pressure. This measurement is taken during the combustion stage of cylinder 1 (horizontal). In the event of a fault in MAP 1, atmospheric pressure is measured by MAP 2. Information relative to at­mospheric pressure is used by the engine control unit to make the corrections necessary to the fuel-air mixture in relation to altitude.
The diagram relative to the MAP1 sensor compares the engine speed-timing signal with the signal generated by the MAP1 sensor itself. As can be seen, atmospheric pressure is measures during the combustion stroke for cylinder 1 (horizontal) (zone F).
Note
With coolant temperature above 80 °C and air temperature within 19 °C and 35 °C, the CO value on each cylinder shall be com­parable and comprised within 0.4% Vol. and 1.4% Vol.. Under these conditions the idle must correspond to 1350 rpm
+/- 100 rpm.
The temperatures and engine rpm values can be read with the DDS.
To detect the CO level screw the threaded adapters, where to insert the gas sampling probe, on the two exhaust manifolds.
Before reading the value displayed by the exhaust gas analyser wait at least one minute for the measurement to stabilise.
 
Operating principle and characteristics of the ride-by-wire system
The engine control system of the Multistrada 1200 uses a ride-by-wire system with motorised throttle valves. This eliminates all direct connection with metal cables between the throttle grip and the throttle valves themselves. Cables are used to rotate the APS potentiometer, which generates an electric signal that is sent to the engine control unit. The engine control unit uses this signal to determine the throttle grip position and the throttle opening dynamics, in other terms, the torque demand made by the rider. The ride-by-wire system enables the following:
-
smooth torque delivery, as the ECU filters the signal received from the APS. As there is no direct connection with metal cables between the throttle grip and the throttle valve, any spurious movement of the throttle grip itself due, for example, to uneven­ness in the road surface straining the arms and hands of the rider, have no direct or immediate effect on engine delivery.
-
improved management of different engine operating states. As the ECU controls the aperture of the throttle valves, the ECU itself can determine the air flow into the engine independently of the actual throttle grip position set by the rider. This strategy defines three different regimens for throttle valve aperture (150 hp Hard, 150 hp Soft and 100 hp) that may be selected by the user without modifying the calibration of the engine control unit (in other terms, the quantity of fuel injected and the ignition advance, which are defined solely in relation to the 150 hp Hard throttle valve aperture regimen).
The three curves show the relationship between the throttle valve aperture regimens and the angle of the throttle grip. Different curves for different engine speed bands are stored in the engine control unit. Each one of these is activated by the rider in relation to the selected riding mode. On a conventional mechanical system there is only one throttle valve aperture regimen, which is determined by the profile of the control roller mounted on the spindle of the valves themselves and actuated by a metal cable that moves as the throttle grip is twisted. With the 150 hp Hard setting selected (red curve with maximum power of 150 hp avail­able), with the exception of the initial zone, the relationship between percentage throttle grip aperture and percentage throttle valve aperture is practically linear (direct). Therefore, high throttle grip aperture angles correspond to identical high throttle valve aperture angles. This linear relationship, however, does not apply at small throttle grip aperture angled (a small throttle valve ap­erture angle is achieved with a slightly higher throttle grip rotation angle). With the 150 hp Soft setting (purple curve with maxi­mum power of 150 hp available), throttle valve opening is “softer“. Therefore, a given aperture angle of the throttle grip corresponds to a lower throttle valve aperture angle. However, this setting still allows the maximum throttle valve opening to be attained when the throttle grip is fully rotated (100% throttle grip rotation corresponds to a throttle valve opening angle α equal to 90°). With the 100 hp setting (green curve with maximum power restricted to 100 hp), throttle valve aperture is significantly attenuated, and rotating the throttle grip fully (100%) does not achieve full throttle valve aperture (throttle valves reach a maxi­mum angle of less than 90°. restricting maximum power). The blue line represents a direct relationship between throttle grip opening angle and throttle valve opening angle, whereby a given throttle grip rotation angle corresponds to an identical opening of the throttle valves.
TPS
The position of the throttle valves is monitored by the engine control unit via a sensor (TPS) integrated into the electric motor, fixed onto the spindle of the vertical cylinder throttle valve.
 
For maximum reliability, the sensor consists of two integrated Hall effect sensing elements (MAIN and SUB), which measure the position of the throttle valve.
 
The TPS uses a single power supply voltage and a single ground.
 
The two signals generated, also denominated MAIN and SUB, are monitored using a diagnostic algorithm by the ECU (engine control unit), which constantly compares the signals against each other and verifies their consistency. In the event of inconsist­ency or a fault, the error is indicated and the throttle valve actuator motor is disabled.
APS
The position of the throttle grip is measured by a sensor (APS) mounted on the throttle body and consisting of two resistance potentiometers (MAIN and SUB), integrated into a single element.
 
Each of the two resistance potentiometers has its own dedicated power supply and ground.
 
The two signals generated, also denominated MAIN and SUB, are monitored using a diagnostic algorithm by the ECU (engine control unit), which constantly compares the signals against each other and verifies their consistency. In the event of inconsist­ency or a fault, the error is indicated and the throttle valve actuator motor is disabled.
 
The information provided by the APS is used by the engine control unit to determine what is known as the “torque request” made by the rider - in other terms, the performance required of the engine by the rider.
 
The two diagrams illustrate the operating principle of the ride-by-wire system and the monitoring and control functions performed by the internal ECU circuits. As can be seen, the APS consists of a potentiometer with two elements (MAIN and SUB), with in­dependent power supply and ground. The TPS also has a potentiometer with two elements (also MAIN and SUB), but with com­mon power supply and ground. The CPU is the processing core of the control unit, the IPD (integral-proportional-derivative controller) is the control circuit and the LSI is a Large Scale Integrated Circuit that controls the power relay on the exterior of the actuator. When necessary (in the event of malfunction), this circuit and the CPU generate a signal that inhibits the electric throttle valve actuator motor. In this case, the throttle valves are returned to the closed position by a spring on the throttle body.
The image shows the throttle body seen from the intake side. The accelerator sensor (APS) is visible on the left, while the electric actuator (motor driving the throttle valves), which also incorporates the throttle valve sensor (TPS), is on the right. The electric actuator operates the vertical cylinder throttle valve directly, and operates the horizontal cylinder throttle valve via a link rod.
When removing the airbox, the throttle body remains fixed to the bottom of the air box itself.
The throttle body is fastened to the rubber intake pipes with metal clamps.
Important
In the event of a fault of the electric throttle valve actuator motor, the TPS throttle valve position sensor (integrated into the elec­tric motor) or the APS accelerator position sensor, the entire throttle body must be replaced.
In the event of a fault in the ride-by-wire system (throttle valve actuator motor, throttle valve actuator motor relay and APS and TPS sensors), the command to actuate the throttle valves is immediately cancelled and the valves close automatically.
The ECU implements no recovery measure in the event of a ride-by-wire system fault. The engine either continues running at idle speed or switches off. The motorcycle can therefore not be ridden (there is no limp-home strategy for taking the vehicle to a service centre).
When replacing the throttle body, no adjustment procedures and no special initialisation procedures using the DDS are necessary.
NEVER ALTER THE SETTING OF THE BY-PASS SCREWS ON EACH OF THE THROTTLE VALVES.
NEVER ALTER THE SETTING OF THE THROTTLE VALVE SYNCHRONISATION SCREW
Explanation of the function of the ride-by-wire system
Mechanism
Via metal cables, the throttle grip operates a roller mounted on one end of a spindle located near the horizontal cylinder throttle valve spindle.
The APS sensor, which measures the position of the throttle grip itself, is mounted on the opposite end of this spindle.
A mechanical stop on the roller limits throttle valve travel via a special system of levers.
Normal ride-by-wire system function
The throttle valves rotate through an arc ranging from completely closed (mechanical end-stop) and the aperture set by the throt­tle valve, which is determined by the ECU from the information received from the APS sensor, and delimited by the stop position on the roller, but without actually reaching the stop position itself.
The stop on the roller does NOT therefore mechanically delimit the travel of the throttle valves.
When the throttle grip is completely released (idle speed condition), there is an angle of approximately 5° between the stop on the roller and the mechanical end-stop of the throttle valves. The throttle valves rotate within this angle to automatically regulate idle speed (target idle speed is 1350 rpm with the engine stabilised at operating temperature).
Ride-by-wire system function in the event of a fault
In the event of a fault of any of the components of the ride-by-wire system, whether electrical or mechanical, the ECU cuts off power to the electric motor normally actuating the throttle valves.
A spring gradually closes the throttle valves against the mechanical end-stop.
If the throttle grip is also closed during this stage, the stop on the roller connected to the throttle grip via metal cables, closes the horizontal cylinder throttle valve with a system of levers.
As the horizontal cylinder throttle valve is connected to the vertical cylinder throttle valve by a link rod, this also closes the vertical cylinder throttle valve.
 
It is impossible for the throttle to remain stuck open as a result of a ride-by-wire system fault.
Warning
Upon ride-by-wire activation through DDS, the twistgrip must be completely turned so that the electric actuator can activate the throttles (their movement is not obstacled by the mechanical stop on the pulley which is connected with the twistgrip, through the metallic flexible wires).
 
A mechanical stop connected to roller (rotates together with roller), B tang connected to throttle valves (rotates with throttle valves), C roller operated by cables connected to throttle grip, D roller and throttle valve return spring.
The following is visible in the photo:
A
B
C
In this case (ride-by-wire is working), the mechanical stop (A), driven by the rotation of the twistgrip, is NOT resting against the tooth (B).
The following is visible in the photo:
A
B
C
In this case (ride-by-wire system malfunctioning), the mechanical stop A, driven by the rotation of the throttle grip as the rider closes the grip itself, is in contact with the tang B, which forces the throttle valves closed.
 
Anti-pollution system and auto-adaptive strategy
Efficacy of the catalytic converter and oxygen sensors
To comply with current emissions legislation, the Multistrada 1200 is equipped with a trivalent catalytic converter, which oxidises CO (carbon monoxide) and HC (unburnt hydrocarbons) and reduces NOx (nitrogen oxides).
The image shows the exhaust system. The oxygen sensor for the horizontal cylinder (1) is visible on the right, the oxygen sensor for the vertical cylinder (2) is on the left. The catalytic converter is contained within the silencer, while the By-pass valve is installed in the section of pipe connecting the silencer to the twin tailpipes.
 
An oxygen sensor is mounted on the exhaust header for the vertical cylinder and on the exhaust header for the horizontal cylinder. The signal generated by these two sensors is processed by the engine control unit within the engine operating ranges included in the test cycle defined by emissions legislation (typically idle speed, the progression stage immediately above idle speed and low load conditions). By using these signals together with others from different sensors, the engine control unit generates a sto­ichiometric fuel-air mixture with the injectors (one part fuel for every 14.7 parts of aspirated air). The exhaust gases produced by the combustion of this mixture can be treated extremely efficiently by the catalytic converter. This means that the catalytic con­verter reduces NOx and oxidises CO and HC by the maximum amount possible. If the engine and fuel system are functioning correctly, the signals generated by the oxygen sensors should oscillate between 0 V and 1 V in the engine operating ranges men­tioned above:
-
-
 
Therefore, on the basis of the signals received from the two oxygen sensor, the ECU continuously corrects the air-fuel mixture to keep it near the stoichiometric ratio, and the average electric signal generated by the two oxygen sensors is approximately 0.5 V. When the fuel system functions as described above, it is said to operating in a “closed loop”. There are engine operating states in which the engine control system is in an “open loop”, where the mixture is generated without processing the signals received from the two oxygen sensors. Typically, these are:
-
-
-
-
 
During acceleration or deceleration, where the mixture must be altered significantly by modifying the quantity of fuel injected, the oxygen sensor detects an excessive variation in oxygen levels in the exhaust gases, caused by the combustion of the altered mixture. If the engine control system were to operate in a closed loop in these conditions, the electric signal from the oxygen sensor would cause the fuel-air mixture to be corrected continuously, resulting in irregular engine function. For this reason, en­gine control switches to open loop operation during transitory acceleration or deceleration states. Therefore, when the engine is running at constant speed, engine control functions primarily in a closed loop, whereas in other conditions it functions primarily in an open loop.
The drawing illustrates the closed loop operation of the injection system.
The drawing illustrates the open loop operation of the injection system.
Typical pattern for the signal generated by the oxygen sensor within the engine operating ranges included in the test cycle de­fined by emissions legislation. The signal oscillates between 0 V and 1 V.
Typical pattern of the signal generated by the oxygen sensor during sensor heating stage (the operating temperature range for the sensor starts at approximately 300°C).
 
With fuel-air mixtures close to stoichiometric, the concentration of CO, HC and NOx contained in the exhaust gases is minimal. Untreated, however, these levels still exceed the limits permitted by emissions legislation. For this reason, the exhaust system includes a catalytic converter and two oxygen sensors, the latter ensuring optimum conditions for the efficiency of the catalytic converter.
When passed through by exhaust gases produced by the combustion of a near-stoichiometric fuel-air mixture, the catalytic con­verter can reduce NOx and oxidise CO and HC with an efficiency approaching 100%.
Operating principle of the zirconium dioxide (ZrO2) oxygen sensor
The external surface of the element in zirconium dioxide implemented in the two oxygen sensors used on the Multistrada 1200 is in direct contact with the exhaust gases, while the internal surface is in contact with atmospheric air. Both surfaces are coated with a thin layer of platinum, which becomes electrically charged as a result of the difference in oxygen concentration between the two parts of the sensor (the part exposed to atmospheric air and the part in contact with exhaust gases), generating a voltage. This voltage may assume values within the following range:
-
-
 
This electrical signal is transmitted to the ECU via the sensor output connection. The oxygen sensor only starts functioning cor­rectly at temperatures of at least 300°C. At these temperatures, the zirconium dioxide element becomes permeable to oxygen ions, meaning that it can be crossed by the ions themselves, generating a difference in potential between the two platinum sur­faces. To reach operating temperature more rapidly, there is an electric heating element inside the sensor itself, which receives 12V power and has a ground connection controlled by the ECU in PWM (Pulse Width Modulation) mode. The PWM percentage is modified by the ECU in relation to engine temperature, to heat the oxygen sensor to operating temperature rapidly after a cold start. Heater element control is disabled in KEY ON state with the engine off and during starting (ECU does not provide connec­tion to ground in these conditions).
 
To allow the oxygen sensor to reach operating temperature rapidly, a heating element is included within its housing, which re­ceives 12 V power and has a ground connection controlled as required by the ECU. The signal generated by the sensor switches from a voltage close to 1V to a voltage approaching 0V when the fuel-air mixture reaches a near-stoichiometric ratio (air-fuel ratio of 14.7).
Operating principle of the catalytic converter
The catalytic converter consists of a monolith metallic core with a honeycomb structure. It therefore has hundreds of small chan­nels, which are covered with a layer of aluminium oxide washcoat. The exhaust gases are passed through this honeycomb struc­ture. The catalyst substances (noble metals), such as platinum, rhodium and palladium, with which the products of combustion come into contact, are deposited on the washcoat layer. The principle reactions taking place in a three-way catalytic converter oxidising CO and HC and reducing NOx are as follows:
-
CO reacts with oxygen to produce water (H2O) and carbon dioxide (CO2)
-
-
 
These reactions only begin to develop once the catalytic converter reaches a temperature of at least approximately 300°C. This exhaust post-treatment device does not have an unlimited lifespan, and its effectiveness is reduced with increasing mileage. The lifespan of the catalytic converter is significantly reduced if it comes into contact with high quantities of unburnt fuel. As a result, never attempt to push-start the motorcycle if starting is impeded by a mechanical or electrical fault. Furthermore, the ignition system must always be in perfect working order. Only use engine oil specified by Ducati, as it has a low ash content (ash ob­structs the tiny catalytic converter channels over time).
The image shows a monolith core in excellent condition.
The image shows a monolith core that has deteriorated as a result of using engine oil not recommended by Ducati.
Self-adaptive parameters
Within the engine operating ranges included in the test cycle defined by emissions legislation, the ECU corrects the fuel-air mix­ture to maintain the average signals received from the oxygen sensors close to a value of approximately 0.5 V. This ensures that the combustion process produces exhaust gases that can be treated highly efficiently by the catalytic converter. Obviously, fuel-air mixture correction capability of the ECU is limited. As a result, a number of self-adaptive parameters are used in the ECU soft­ware, which modify the base maps for the quantity of fuel injected. These parameters make it possible to exploit the full mixture correction range and, therefore, to recover from deviations from the desired average value for the oxygen sensor signals of ap­proximately 0.5 V. These deviations may be due to the following causes:
-
ageing of the components of the cylinder unit, resulting in deviation from rated specifications (valve clearance, encrustation in combustion chamber and on valves, cylinder-piston seal integrity, variations in intake and exhaust gas flow)
-
-
 
The ECU defines specific self-adaptive parameters for each cylinder correlated to ten different functional zones of the engine. There are two separate auto-adaptive parameters - denominated “long term” and “real time” - for each zone and for each cylin­der.
-
When the engine is switched off, the ECU remains powered for a predetermined number of seconds (power latch or self-shut down function), during which the real time self-adaptive parameters are memorised in the ECU, updating the long term param­eters.
-
 
Reading the self-adaptive parameters with the DDS diagnostic instrument makes it possible to ascertain whether the two cylinder units of the engine are functioning correctly (the DDS displays the self-adaptive parameters only when engine control is in a closed loop with the oxygen sensors). In the event of malfunction, these parameters approach one of the two limits defining their range of possible values (the ECU is continuously correcting the base maps). In this case, the following is necessary:
-
-
-
 
Ignition coils
Introduction
The engine control system of the Multistrada 1200 includes two ignition coils: one for the horizontal cylinder and one for the ver­tical cylinder. These coils are installed directly in the spark plug wells. A diode is installed on the secondary winding inside the coil, which prevents the unintentional generation of a spark at the spark plug as a result of variations in voltage induced on the secondary winding itself when the primary winding charge phase starts. During this phase, the diode is inversely polarised and does not allow current to pass. Conversely, during the phase in which the ECU annuls the current circulating in the primary wind­ing, the diode is directly polarised and allows spark generation on the spark plug.
The image shows the internal electric configuration of the coil. During the primary coil phase, the polarities of the two voltages inversely polarise the diode (red arrows). When the ECU interrupts power to the primary circuit, the diode is polarised directly (green arrows), allowing spark generation on the spark plug. PINs 1, 2 and 3 are located on the primary connection of the coil.
The diagram illustrates the qualitative variation over time of the charge current for the primary coil winding. The ECU determines the instant t1 (in relation to this time and engine speed, the ignition advance value in degrees is calculated), in which the connec­tion to ground on PIN3 is interrupted, triggering the spark on the spark plug. At t0, the ECU grounds coil PIN 3, and current begins to circulate in the primary winding. The instant t0 is calculated by the ECU to allow the necessary time interval (t1 - t0) to charge the primary coil winding correctly. Typically, the interval t1 - t0 increases with increasing engine speed.
Component assembling position
Installation location of horizontal cylinder coil (A).
Location of horizontal cylinder coil connection.
Installation location of vertical cylinder coil (B).
Location of vertical cylinder coil connection.
Connection wiring diagram
O Horizontal cylinder coil, R Injection relay. CCM engine control connection, 1 power connection (12V) via injection relay (brown/white – Bn/W), 3 connection to control unit (grey/black – Gr/Bk), 2 ground (black/Bk).
V Vertical cylinder coil, R injection relay. CCM engine control connection, 1 power connection (12V) via injection relay (brown/white – Bn/W), 3 connection to control unit (grey/yellow – Gr/Y), 2 ground (black - Bk).
In the event of fault
The cylinder associated with the faulty coil does not function. The injector associated with the faulty coil is disabled.
Fault codes generated and possible correlated faults
Fault codes generated by engine control unit and displayed by DDS (Vertical ignition diagnosis (coil 2), Horizontal ignition diagnosis (coil 1)):
-
-
-
Note
Check integrity of electric circuit – short-circuit to Vdc = with instrument panel on, using a voltmeter, a voltage is measured be­tween the wire tested and ground.
Check integrity of electric circuit – short-circuit to ground = with the battery cables disconnected, using an ohmmeter, continuity is detected between the wire tested and ground.
Check integrity of electric circuit – open circuit = with the battery cables disconnected, using an ohmmeter, no continuity is de­tected between the two ends of the wire tested.
 
The dashboard service display shows the error “Coil” and the EOBD warning light activates.
 
Possible correlated faults:
-
-
If the engine runs on one cylinder only and there is no spark at one of the two spark plugs, try swapping the coils. If the fault (no spark) follows the coil, the coil itself is faulty. If the fault does not follow the coil, the relative control circuit is faulty.
-
If the engine runs unevenly (backfires and torque delivery is uneven), check that PIN 2 on the primary coil winding is grounded correctly. If necessary, replace the coils as the respective internal diode may be damaged (short circuited).
 
The coils may be activated from the DDS to check for sparking across the spark plug electrodes (during the test, the spark plug threads must be correctly grounded).
 
If none of the aforementioned tests identify the problem and the coils are in proper working order, replace the engine control unit.
Component replacement methods
The coils replacement do not foresee particular measures, proceed as described in Sect. 4-3, Spark plugs replacement.
 
Injectors
Introduction
The injectors used on the Multistrada 1200 are TOP FEED units, meaning that fuel is fed into the top of the injector itself. The injectors contain a winding which raises a needle when electrically energised. This opens the atomiser nozzle, through which pressurised fuel is dispensed, generating the spray that mixes with the air aspirated by the engine. To ensure that the spray con­sists of perfectly atomised fuel, the atomiser nozzle has twelve holes. Each cylinder has an injector, located underneath the re­spective throttle valve. The injector aperture time is determined by the engine control unit to ensure that the correct quantity of fuel is injected (carburetion).
The graph shows the quantitative variation in the signal sent to the injector by the ECU in relation to time. The ECU commands injector aperture by creating a connection to ground at one of the terminals of the injector's electric winding. The other terminal receives 12V power supply voltage.
Component assembling position
The injectors are located on the intake ducts, underneath the throttle valve. The respective electrical connection is integrated into the injector body.
Connection wiring diagram
O Horizontal cylinder injector, R injection relay. CCM engine control connection, 1 power connection (12V) via injection relay (brown/white – Bn/W), 2 connection to control unit (pink/yellow – P/Y).
V Vertical cylinder injector, R injection relay. CCM engine control connection, 1 power connection (12V) via injection relay (brown/white – Bn/W), 2 connection to control unit (green/yellow – G/Y).
In the event of fault
The cylinder associated with the faulty injector does not function.
Fault codes generated and possible correlated faults
Fault codes generated by engine control unit and displayed by DDS (Vertical injector diagnosis (inj. 2), Horizontal injector diagnosis (inj. 1)):
-
-
-
Note
Check integrity of electric circuit – short-circuit to Vdc = with instrument panel on, using a voltmeter, a voltage is measured be­tween the wire tested and ground.
Check integrity of electric circuit – short-circuit to ground = with the battery cables disconnected, using an ohmmeter, continuity is detected between the wire tested and ground.
Check integrity of electric circuit – open circuit = with the battery cables disconnected, using an ohmmeter, no continuity is de­tected between the two ends of the wire tested.
 
The dashboard service display shows the error “Injector” and the EOBD warning light activates.
 
Possible correlated faults:
-
-
If the engine is running on once cylinder only and one of the injectors does not open, try swapping the injectors. If the fault (no injector opening) follows the injector, the injector itself is faulty. If the fault does not follow the injector, the relevant control circuit is faulty.
-
 
The injectors may be actuated from the DDS to check that they function correctly.
If none of the aforementioned tests identify the problem and the injectors are in proper working order, replace the engine control unit.
Component replacement methods
The injectors replacement do not foresee particular measures, proceed as described in Sect. 8 - 6, Removal of the fuel injectors. With the fuel system pressurised, check that there are no fuel leaks from the connector. After replacement of one or both of the injectors, reset the self-adaptive parameters relative to carburetion with the DDS.
Stop Engine Switch
Introduction
The Stop Engine switch is located on the right hand handlebar switchgear set and is used to turn off the engine.
Component assembling position
The Stop Engine switch is included in the switchgear set on the right hand handlebar.
Location of right hand handlebar switchgear set connection.
Connection wiring diagram
CCM engine control connection, S Stop Engine switch. A KEY ON power (+15 from Hands Free relay 30), 3 red/black – R/Bk, 4 pink/black – P/Bk.
In the event of fault
In the event of a Stop Engine switch fault, the engine cannot be switched off and the starter motor cannot be operated.
Fault codes generated and possible correlated faults
The engine control unit generates no fault code in the event of a Stop Engine switch fault.
 
No errors are indicated on the dashboard
 
Possible correlated faults: the engine cannot be stopped from the switch and the starter motor cannot be operated. Check:
-
-
-
If power supply voltage (12 V – KEY ON) is present on PIN 3 of the switch (if not, consult Sect. 6 - 7 paragraph “The Hands Free module”)
-
 
The DDS instrument can be used to display the activation state of the Stop Engine switch.
 
If the starter motor does not activate, also check the following:
-
-
-
-
-
Note
Check integrity of electric circuit – short-circuit to Vdc = with instrument panel on, using a voltmeter, a voltage is measured be­tween the wire tested and ground.
Check integrity of electric circuit – short-circuit to ground = with the battery cables disconnected, using an ohmmeter, continuity is detected between the wire tested and ground.
Check integrity of electric circuit – open circuit = with the battery cables disconnected, using an ohmmeter, no continuity is de­tected between the two ends of the wire tested.
 
If none of the tests described above identifies the problem and the power supply and ground for the engine control unit are in correct working order, replace the engine control unit.
Component replacement methods
No special measures are necessary in order to replace the Stop Engine switch.
 
Checking the right-hand handlebar switch
To remove the right-hand handlebar switch, undo the retaining screws (1) and disconnect the wiring connector from the electric system.
Refitting is the reverse of removal; tighten the screws (1) to a torque of 1.3 Nm ± 10% (Sect. 3 - 3, Frame torque settings).
 
Throttle valve operation engine
Introduction
The electric motor actuating the throttle valve for the vertical cylinder is mounted on the throttle body of the Multistrada 1200, while a link rod connects the vertical cylinder throttle valve to the horizontal cylinder throttle valve. In the electric motor, the throt­tle valve position sensor (TPS) is integrated.
The electric motor, which also incorporates the throttle valve position sensor (TPS), is visible on the right, on the throttle body. The accelerator position sensor (APS) is visible on the left.
Component assembling position
The image shows the throttle valve actuator motor. Inside of it, it is also placed the throttle valve position sensor (TPS).
Location of electric connection for throttle valve actuator motor – TPS (throttle valve position sensor).
Connection wiring diagram
CCM engine control connection, M throttle valve actuator motor. 5 light blue/red – Lb/R, 6 light blue/black- Lb/Bk.
In the event of fault
In the event of a throttle valve actuator fault, motor power is cut off and the throttle valves close (see chapter relative to ride-by-wire system).
Fault codes generated and possible correlated faults
Fault codes generated by the engine control unit and displayed by the DDS (ETV motor diagnosis):
-
-
-
Note
Check integrity of electric circuit – short-circuit to Vdc = with instrument panel on, using a voltmeter, a voltage is measured be­tween the wire tested and ground.
Check integrity of electric circuit – short-circuit to ground = with the battery cables disconnected, using an ohmmeter, continuity is detected between the wire tested and ground.
Check integrity of electric circuit – open circuit = with the battery cables disconnected, using an ohmmeter, no continuity is de­tected between the two ends of the wire tested.
 
The dashboard service display shows the error “ETV motor” (throttle valve actuator motor) and the EOBD warning light activates.
 
Possible correlated faults: The engine does not start, cuts out or remains running at idle speed and will not accelerate. Check:
-
 
The throttle valve actuator motor may be actuated into three preset positions (0%, 50%, 100%) using the DDS.
 
If none of the tests described above identify the problem and the throttle valve actuator is in proper working order, contact Ducati.
Component replacement methods
The throttle valve actuator motor incorporates the throttle valve position sensor (TPS) and cannot be replaced as an individual component. In case it brakes down it will be necessary to fit a new throttle body (refer to Sect. 6 - 8, Operating principle and characteristics of the ride-by-wire system). After replacement of the throttle body, reset the self-adaptive parameters relative to carburetion with the DDS. Adjust the cables connecting the throttle grip to the throttle grip position sensor.
 
Engine start button
Introduction
The engine start button is located on the right hand handlebar switchgear set and is used to turn the engine on.
Component assembling position.
The engine start button is included in the switchgear set on the right hand handlebar.
Location of right hand handlebar switchgear set connection.
Connection wiring diagram
CCM engine control connection, S engine start button. 1 pink/black - P/Bk, 2 white/blue – W/B.
In the event of fault
In the event of a start button fault, the engine cannot be started.
Fault codes generated and possible correlated faults
The engine control unit generates no fault code in the event of an engine start button fault.
 
No errors are indicated on the dashboard
 
Possible correlated faults: the starter motor cannot be operated. Check:
-
-
-
-
-
-
-
Note
Check integrity of electric circuit – short-circuit to Vdc = with instrument panel on, using a voltmeter, a voltage is measured be­tween the wire tested and ground.
Check integrity of electric circuit – short-circuit to ground = with the battery cables disconnected, using an ohmmeter, continuity is detected between the wire tested and ground.
Check integrity of electric circuit – open circuit = with the battery cables disconnected, using an ohmmeter, no continuity is de­tected between the two ends of the wire tested.
 
The DDS instrument can be used to display the activation state of the engine start button.
If none of the tests described above identifies the problem and the power supply and ground for the engine control unit are in correct working order, replace the engine control unit.
Component replacement methods
No special measures are necessary in order to replace the starter button.
Checking the right-hand handlebar switch
To remove the right-hand handlebar switch, undo the retaining screws (1) and disconnect the wiring connector from the electric system.
Refitting is the reverse of removal; tighten the screws (1) to a torque of 1.3 Nm ± 10% (Sect. 3 - 3, Frame torque settings).
Clutch lever button
Introduction
The clutch button is located on the clutch lever. Together with the signal from the side stand button and the neutral signal gen­erated by the gear sensor (transmitted to the engine control unit over the CAN line), the clutch lever position signal is used to enable or disable engine start.
 
The following table indicates the only conditions in which starter motor activation and, as a result, engine start, are permitted:
 
Gearbox in neutral – any side stand and clutch lever position
Gear engaged – side stand retracted – clutch lever pulled
 
If a gear is engaged with the side stand down, however, the engine switches off.
 
The engine control unit recognises the idle speed state when engine speed drops below a certain threshold and when the ECU itself receives the clutch lever pulled and/or gearbox in neutral signal (generated by gear sensor).
Component assembling position
The clutch button is located under the lever.
Location of clutch button connection.
Connection wiring diagram
CCM engine control connection, S clutch button. 2 ground, black - Bk, 1 white - W.
In the event of fault
In the event of a clutch button fault, the operating conditions described in the introduction are not met.
Fault codes generated and possible correlated faults
The engine control unit generates no fault code in the event of a clutch button fault.
 
No errors are indicated on the dashboard.
 
Possible correlated faults: the safety conditions required to enable engine start are not met, incorrect idle speed (target idle speed is 1350 rpm with engine stabilised at operating temperature). Check:
-
-
Integrity of the clutch button. When the clutch lever is operated (pulled and released), the resistance on the button contacts (PIN 1 and PIN 2) must be zero in one position (continuity) and infinite in the other (open circuit)
Note
Check integrity of electric circuit – short-circuit to Vdc = with instrument panel on, using a voltmeter, a voltage is measured be­tween the wire tested and ground
Check integrity of electric circuit – short-circuit to ground = with the battery cables disconnected, using an ohmmeter, continuity is detected between the wire tested and ground
Check integrity of electric circuit – open circuit = with the battery cables disconnected, using an ohmmeter, no continuity is de­tected between the two ends of the wire tested.
 
The DDS instrument can be used to display the activation state of the clutch button.
 
If none of the aforementioned tests identify the problem and the clutch button is in proper working order, replace the engine control unit.
Component replacement methods
No special measures are necessary in order to replace the clutch button.
 
Side stand button
Introduction
The side stand button is located on the side stand. Together with the signal from the clutch button and the neutral signal gener­ated by the gear sensor (transmitted to the engine control unit over the CAN line), the side stand position signal is used to enable or disable engine start.
 
The following table indicates the only conditions in which starter motor activation and, as a result, engine start, are permitted:
 
Gearbox in neutral – any side stand and clutch lever position
Gear engaged – side stand retracted – clutch lever pulled
If a gear is engaged with the side stand down, however, the engine switches off.
Component assembling position
The side stand button is integrated in the rotation pivot area of the side stand itself.
Location of side stand connection.
Connection wiring diagram
CCM engine control connection, S side stand button. 3 black – Bk, 2 white/black – W/Bk.
In the event of fault
In the event of a side stand button fault, the safety conditions described in the introduction are not met.
Fault codes generated and possible correlated faults
The engine control unit generates no fault code in the event of a side stand button fault.
 
No errors are indicated on the dashboard.
Possible correlated faults: the safety conditions required to enable engine start are not met. Check:
-
-
Integrity of the side stand button. When the side stand is used (extended and retracted), the resistance on the button contacts (PIN 2 and PIN 3) must be zero in one position (continuity) and infinite in the other (open circuit)
Note
Check integrity of electric circuit – short-circuit to Vdc = with instrument panel on, using a voltmeter, a voltage is measured be­tween the wire tested and ground.
Check integrity of electric circuit – short-circuit to ground = with the battery cables disconnected, using an ohmmeter, continuity is detected between the wire tested and ground.
Check integrity of electric circuit – open circuit = with the battery cables disconnected, using an ohmmeter, no continuity is de­tected between the two ends of the wire tested.
 
The DDS instrument can be used to display the activation state of the side stand button.
 
If none of the aforementioned tests identify the problem and the side stand button is in proper working order, replace the engine control unit.
Component replacement methods
No special measures are necessary in order to replace the side stand button.
 
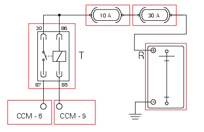
Injection relay
Introduction
The fuel pump, injectors and ignition coils are all powered via the injection relay. The relay also sends voltage to the engine control unit, which enables activation of the relay itself.
Component assembling position
A injection relay; B ETV relay (throttle valve actuator motor), C radiator fan relay, D engine control unit.
Connection wiring diagram
CCM engine control connection, T injection relay. 85 brown/black – Bn/Bk injection relay activation, 87 brown/white-Bn/W ECU input voltage, U direct power to injectors, ignition coils and fuel pump, R battery power (+30), 30 and 86 brown - Bn.
In the event of fault
In the event of an injection relay fault, the engine stops (if running) or will not start. The relay is not commanded by the ECU.
Fault codes generated and possible correlated faults
Fault codes generated by the engine control unit and displayed by the DDS (Fuel injection relay diagnosis):
-
-
-
 
Note
Check integrity of electric circuit – short-circuit to Vdc = with instrument panel on, using a voltmeter, a voltage is measured be­tween the wire tested and ground.
Check integrity of electric circuit – short-circuit to ground = with the battery cables disconnected, using an ohmmeter, continuity is detected between the wire tested and ground.
Check integrity of electric circuit – open circuit = with the battery cables disconnected, using an ohmmeter, no continuity is de­tected between the two ends of the wire tested.
 
The dashboard service display shows the error “Fuel Injection” and the EOBD warning light activates.
 
Possible correlated faults: the engine stops (if running) or will not start. Check:
-
-
 
Using the DDS, activate the ignition coils, the fuel pump or the injectors. The injection relay is driven and its contacts (PIN 87 and PIN 30) should close.
 
If none of the aforementioned tests identify the problem and the relay is in proper working order, replace the engine control unit.
Component replacement methods
No special measures are necessary in order to replace the injection relay.
 
Throttle valve actuator motor relay
Introduction
The throttle valve actuator motor is powered by the engine control unit. The engine control unit receives the necessary power from a specific relay.
Component assembling position
A injection relay; B ETV relay (throttle valve actuator motor), C radiator fan relay, D engine control unit.
Connection wiring diagram
CCM engine control connection, T throttle valve actuator motor relay. 85 throttle valve actuator motor relay activation, light blue/green – Lb/G, 87 ECU power input for throttle valve actuator motor, red/brown R/Bn, 30 and 86 red/purple – R/V, R battery positive (+30).
In the event of fault
In the event of a throttle valve actuator relay fault, the ECU cuts motor power and the throttle valves close (see chapter Operating principle and characteristics of the ride-by-wire system in this section).
Fault codes generated and possible correlated faults
Fault codes generated by the engine control unit and displayed by the DDS (ETV relay diagnosis):
-
Throttle valve actuator motor relay malfunction (no specific fault indicated by DDS): check integrity of the fuses, electrical circuit and electrical connections and check relay function. After removing from its mounting, apply 12 V power to PIN 85 and PIN 86 and check that PIN 87 and PIN 30 close (continuity between pins).
 
Note
Check integrity of electric circuit – short-circuit to Vdc = with instrument panel on, using a voltmeter, a voltage is measured be­tween the wire tested and ground.
Check integrity of electric circuit – short-circuit to ground = with the battery cables disconnected, using an ohmmeter, continuity is detected between the wire tested and ground.
Check integrity of electric circuit – open circuit = with the battery cables disconnected, using an ohmmeter, no continuity is de­tected between the two ends of the wire tested.
 
The dashboard service display shows the error “ETV relay” (throttle valve actuator motor relay) and the EOBD warning light ac­tivates.
 
Possible correlated faults: The engine does not start, cuts out or remains running at idle speed and will not accelerate. Check:
-
-
 
The throttle valve actuator motor may be actuated into one of the three preset positions (0%, 50%, 100%) using the DDS. During motor actuation, the throttle valve actuator motor relay is driven.
 
If none of the tests described above identify the problem and the throttle valve actuator relay is in proper working order, contact Ducati.
Component replacement methods
No special measures are necessary in order to replace the throttle valve actuator motor relay.
 
Starter motor relay
Introduction
When the rider presses the start button, with all the safety conditions required to enable engine start met, the engine control unit enables the relay that activates the starter motor.
Component assembling position
(A) Rear fuses; (B) Starter motor relay; (C) Main fuse (30A); (D) actuator for rear shock absorber spring preload; (E) ABS.
Connection on starter motor relay.
Connection wiring diagram
MT starter motor, CCM engine control connection. 4 starter motor relay activation, blue/black - B/Bk, A KEY ON power (+15 from Hands free relay 30), R battery power (+30), 3 red/black – R/Bk, M black – Bk, B black - Bk.
In the event of fault
In the event of a starter motor relay fault, the engine will not start.
Fault codes generated and possible correlated faults
The engine control unit generates no fault code in the event of a starter motor relay fault.
 
No errors are indicated on the dashboard.
 
Possible correlated faults: the starter motor cannot be operated. Check:
-
-
-
-
-
-
-
-
Note
Check integrity of electric circuit – short-circuit to Vdc = with instrument panel on, using a voltmeter, a voltage is measured be­tween the wire tested and ground.
Check integrity of electric circuit – short-circuit to ground = with the battery cables disconnected, using an ohmmeter, continuity is detected between the wire tested and ground.
Check integrity of electric circuit – open circuit = with the battery cables disconnected, using an ohmmeter, no continuity is de­tected between the two ends of the wire tested.
 
If none of the tests described above identifies the problem and the power supply and ground for the engine control unit are in correct working order, replace the engine control unit.
Component replacement methods
No special measures are necessary in order to replace the starter motor relay.
 
Radiator fan relay
Introduction
The radiator fans are powered via a specific relay, which is enabled by the engine control unit.
Component assembling position
A injection relay; B ETV relay (throttle valve actuator motor), C radiator fan relay, D engine control unit.
Location of right hand fan connection.
Location of left hand fan connection.
Connection wiring diagram
CCM engine control connection, T radiator fan relay, A KEY ON power (+15 from Hands free relay 30), R battery power (+30), L left hand fan, R right hand fan, 85 light blue/black - Lb/Bk, 30 red/green – R/G, 86 red/black – R/Bk, 87 red/grey – R/Gr.
In the event of fault
In the event of a radiator fan relay fault, the radiator fans themselves do not work. The relay is not commanded by the ECU.
Fault codes generated and possible correlated faults
Fault codes generated by the engine control unit and displayed by the DDS (Fan relay diagnosis):
-
-
Note
Check integrity of electric circuit – short-circuit to Vdc = with instrument panel on, using a voltmeter, a voltage is measured be­tween the wire tested and ground.
Check integrity of electric circuit – short-circuit to ground = with the battery cables disconnected, using an ohmmeter, continuity is detected between the wire tested and ground.
Check integrity of electric circuit – open circuit = with the battery cables disconnected, using an ohmmeter, no continuity is de­tected between the two ends of the wire tested.
 
The dashboard service display shows the error “Fan relay” and the EOBD warning light activates.
 
Possible correlated faults: coolant reaches boiling point but radiator fans not working. Check:
-
-
If power supply voltage (12 V – KEY ON) is present on PIN 86 of the radiator fan relay (if not, consult the paragraph “Hands free”)
-
-
-
-
 
The radiator fan relay may be actuated from the DDS to check radiator fan function.
 
The fans are normally activated at 103° and switched off at 101°C.
If none of the aforementioned tests identify the problem and the radiator fan relay is in proper working order, replace the engine control unit.
Component replacement methods
No special measures are necessary in order to replace the radiator fan relay.
 
Engine speed-timing sensor
Introduction
The engine control system of the Multistrada 1200 is equipped with an inductive sensor that allows the ECU to determine the speed and timing phase of the engine. The sensor faces a phonic wheel with 48 teeth minus 2.
The engine speed-timing sensor is an inductive sensor and faces a 48 tooth phonic wheel with 2 teeth missing.
The drawing shows the signal generated by the engine speed-timing sensor. The phonic wheel facing the sensor turns once for every two turns of the crankshaft, as it is integrated into the crown gear on the auxiliary shaft driving the camshafts. As a result, 360° of phonic wheel rotation corresponds to 720° of crankshaft rotation.
Component assembling position
The engine speed-timing sensor is mounted on the flywheel side of the crankshaft. The black aluminium cap on the crankcase covering the hole for checking the air gap with a feeler gauge, is visible on the right.
Location of engine speed-timing sensor connection.
Connection wiring diagram
CCM engine control connection S engine speed-timing sensor, 3 shielding connected to PIN 34 of the ECU, black - Bk, 1 and 2 electrical terminals of the winding inside the sensor.
In the event of fault
The engine stops (if running) or will not start and the injectors and ignition coils are no longer commanded by the ECU.
Fault codes generated and possible correlated faults
Fault codes generated by the engine control unit and displayed by the DDS (Pick-up diagnosis):
-
Engine speed sensor malfunction (no specific fault indicated by DDS): check the integrity of the electric circuit and check that the resistance between PIN 1 and PIN 2 of the winding is between 774 and 946 Ohm at an ambient temperature of 20°C.
Warning
even if the sensor resistance measured is correct, the internal magnet may be damaged, compromising the function of the sen­sor itself.
Note
Check integrity of electric circuit – short-circuit to Vdc = with instrument panel on, using a voltmeter, a voltage is measured be­tween the wire tested and ground.
Check integrity of electric circuit – short-circuit to ground = with the battery cables disconnected, using an ohmmeter, continuity is detected between the wire tested and ground.
Check integrity of electric circuit – open circuit = with the battery cables disconnected, using an ohmmeter, no continuity is de­tected between the two ends of the wire tested.
 
The dashboard service display shows the error “Pick-up” (engine speed sensor) and the EOBD warning light activates.
Possible correlated faults: the engine stops (if running) or will not start (the starter motor functions normally) and the ignition coils and injectors are not driven.
 
Check:
-
-
 
If none of the aforementioned tests identify the problem and the engine speed sensor is in proper working order, replace the engine control unit.
Component replacement methods
No special measures are necessary in order to replace the engine speed-timing sensor. Check the air gap between the sensor and one of the teeth of the phonic wheel, inserting a feeler gauge through the hole on the left hand crankcase half (covered by a cap). The air gap must measure 0.6 mm +/- 0.3 mm and is non-adjustable.
Accelerator position sensor (throttle grip)
Introduction
An accelerator position sensor (APS) is mounted on the throttle body of the Multistrada 1200, which measures the degree of aperture of the throttle grip.
-
-
-
For safety reasons, the sensor contains two potentiometers (a main potentiometer – MAIN – and a secondary potentiometer – SUB) with independent 5V power and ground
Component assembling position
The accelerator position sensor is mounted on the throttle body and is held in place by two screws.
Location of accelerator position sensor connection.
Connection wiring diagram
CCM engine control connection, S accelerator position sensor.
Main potentiometer (P):
C orange signal - O,
B supply (5V) brown/red - Bn/R,
A ground black/orange - Bk/O.
Secondary potentiometer (S):
F signal, green/black - G/Bk,
H supply (5V) brown/black - Bn/B,
G ground, black/white Bk/W.
The two central PINs D and E of the APS connector are not connected.
In the event of fault
In the event of an accelerator position sensor fault, the ECU disables the ride-by-wire system and the engine will not start, re­mains running at idle or stops.
Fault codes generated and possible correlated faults
Fault codes generated by the engine control unit and displayed by the DDS (Accelerator position sensor diagnosis):
-
-
-
-
Note
Check integrity of electric circuit – short-circuit to Vdc = with instrument panel on, using a voltmeter, a voltage is measured be­tween the wire tested and ground.
Check integrity of electric circuit – short-circuit to ground = with the battery cables disconnected, using an ohmmeter, continuity is detected between the wire tested and ground.
Check integrity of electric circuit – open circuit = with the battery cables disconnected, using an ohmmeter, no continuity is de­tected between the two ends of the wire tested.
 
The dashboard service display shows the error “Accelerator position” and the EOBD warning light activates.
 
Possible correlated faults: inadequate engine power, incorrect idle speed (target idle speed is 1350 rpm with engine stabilised at operating temperature).
Check:
-
That the metal cables operating the roller connected to the accelerator position sensor are correctly adjusted so that the roller can reach both the fully closed (throttle grip released) and fully open (throttle grip fully twisted) positions
 
Throttle grip aperture may be checked using the DDS.
 
If none of the tests described above identify the problem and the accelerator position sensor is in proper working order, contact Ducati.
Component replacement methods
The APS sensor cannot be replaced individually. In case of fault it will not be necessary to replace the whole throttle body (see Operating principle and characteristics of the ride-by-wire system“ of this section).
Correctly adjust the cables connecting the throttle grip to the throttle grip position sensor
Throttle valve position sensor
Introduction
The throttle valve position sensor (TPS) is mounted on the throttle body of the Multistrada 1200.
-
-
The sensor sends information to the engine control unit relative to the position of the vertical cylinder throttle valve and, as a consequence, of the horizontal cylinder throttle valve, which is connected to the former by a link rod
-
For safety reasons, the sensor contains two Hall effect sensing elements (a main element – MAIN – and a secondary element – SUB). The two potentiometers share the same power and ground
Component assembling position
The throttle valve position sensor is integrated in the throttle valve actuator motor.
Location of electric connection for throttle valve actuator motor – TPS (throttle valve position sensor).
Connection wiring diagram
CCM engine control connection, S throttle valve position sensor. Main potentiometer P: 3 signal, orange/blue – O/B, Secondary potentiometer S: 1 signal, orange/green – O/G, 4 common ground, black/yellow Bk/Y, 2 common power (5V), brown/yellow – Bn/Y.
In the event of fault
In the event of a throttle valve position sensor fault, the ECU disables the ride-by-wire system and the engine will not start, re­mains running at idle or stops.
Fault codes generated and possible correlated faults
Fault codes generated by the engine control unit and displayed by the DDS (Throttle position sensor diagnosis):
-
-
-
-
-
Drop in power supply voltage: check integrity of electric circuit and electrical connections. If the above measures do not resolve the fault, contact Ducati.
Note
Check integrity of electric circuit – short-circuit to Vdc = with instrument panel on, using a voltmeter, a voltage is measured be­tween the wire tested and ground.
Check integrity of electric circuit – short-circuit to ground = with the battery cables disconnected, using an ohmmeter, continuity is detected between the wire tested and ground.
Check integrity of electric circuit – open circuit = with the battery cables disconnected, using an ohmmeter, no continuity is de­tected between the two ends of the wire tested.
 
The dashboard service display shows the error “Throttle position” and the EOBD warning light activates
 
Possible correlated faults: The engine does not start, cuts out or remains running at idle speed and will not accelerate.
Check:
-
-
 
The throttle valve actuator motor may be actuated into three preset positions (0%, 50%, 100%) using the DDS.
The DDS may be used to read the throttle valve position value.
 
If none of the tests described above identify the problem and the throttle valve position sensor is in proper working order, contact Ducati.
Component replacement methods
The throttle valve position sensor is integrated into the throttle valve actuator motor and cannot be replaced as an individual com­ponent. In case it brakes down it will be necessary to fit a new throttle body (refer to this section Operating principle and char­acteristics of the ride-by-wire system). After replacement of the throttle body, reset the self-adaptive parameters relative to carburetion with the DDS. Adjust the cables connecting the throttle grip to the throttle grip position sensor.
Air temperature sensor
Introduction
The engine control system on the Multistrada 1200 uses a sensor that measures air temperature. This sensor has a resistance of NTC type (Negative Temperature Coefficient), that reduces its own value when the temperature increases. The air temperature sensor allows the engine control unit to modify the fuel-air mixture and ignition advance in relation to the atmospheric air tem­perature.
Components assembling position
The air temperature sensor is mounted on the right hand air intake (the image also shows the location of the connection).
Wiring diagram
CCM engine control connection, S air temperature sensor. 1 green/blue – G/B, 2 black/purple – Bk/V.
In the event of fault
In the event of an air temperature sensor fault, the engine control unit implements a recovery value of 25°C.
Fault codes generated and possible correlated faults
Fault codes generated by the engine control unit and displayed by the DDS (Intake air temperature sensor diagnosis):
-
-
-
 
Note
Check integrity of electric circuit – short-circuit to Vdc = with instrument panel on, using a voltmeter, a voltage is measured be­tween the wire tested and ground.
Check integrity of electric circuit – short-circuit to ground = with the battery cables disconnected, using an ohmmeter, continuity is detected between the wire tested and ground.
Check integrity of electric circuit – open circuit = with the battery cables disconnected, using an ohmmeter, no continuity is de­tected between the two ends of the wire tested.
 
The dashboard service display shows the error “Air temperature” and the EOBD warning light activates.
 
Possible correlated faults: inadequate engine power, irregular idle speed (target idle speed is 1350 rpm with engine stabilised at operating temperature), the engine does not start easily. Check:
-
 
The air temperature value may be checked using the DDS. Check that the value given is plausible.
 
If none of the aforementioned tests identify the problem and the air temperature sensor is in proper working order, replace the engine control unit.
Component replacement methods
No special measures are necessary in order to replace the air temperature sensor.
 
Engine temperature sensor
Introduction
The engine control system on the Multistrada 1200 uses a sensor that measures the temperature of the coolant (engine temper­ature). This sensor has a resistance of NTC type (Negative Temperature Coefficient), that reduces its own value when the tem­perature increases. The engine temperature sensor, allows the control unit to manage correctly the cold starting and the heating phases.
Components assembling position
The engine temperature sensor is mounted on the left hand side of the vertical cylinder.
Location of engine temperature sensor connector.
Wiring diagram
CCM engine control connection, S engine temperature sensor. 1 green/white – G/W, 2 black/purple – Bk/V.
In the event of fault
In the event of an engine temperature sensor fault, the engine control unit implements a recovery value of 70°C and activates the radiator fans.
Fault codes generated and possible correlated faults
Fault codes generated by the engine control unit and displayed by the DDS (Engine temperature sensor diagnosis):
-
-
-
Open circuit: check integrity of electric circuit, check integrity of electrical connections
Note
Check integrity of electric circuit – short-circuit to Vdc = with instrument panel on, using a voltmeter, a voltage is measured be­tween the wire tested and ground.
Check integrity of electric circuit – short-circuit to ground = with the battery cables disconnected, using an ohmmeter, continuity is detected between the wire tested and ground.
Check integrity of electric circuit – open circuit = with the battery cables disconnected, using an ohmmeter, no continuity is de­tected between the two ends of the wire tested.
 
The dashboard service display shows the error “Engine temperature” and the EOBD warning light activates.
 
When the dashboard receives the “Engine temperature” error, flashing dashes are displayed instead of the temperature reading. If the dashboard does not receive engine temperature information from the CAN line, the error “Engine temperature” is not shown on the service display, but flashing dashes are still displayed instead of the temperature reading.
Possible correlated faults: inadequate engine power, irregular idle speed (target idle speed is 1350 rpm with engine stabilised at operating temperature), the engine does not start easily, radiator fans not activated correctly or not activated at all, causing the coolant to reach boiling point.
Check:
-
 
The engine temperature value may be checked using the DDS. Check that the value given is plausible.
 
If none of the aforementioned tests identify the problem and the engine temperature sensor is in proper working order, replace the engine control unit.
Component replacement methods
No special measures are necessary in order to replace the engine temperature sensor. After replacement of the engine temper­ature sensor, reset the self-adaptive parameters relative to carburetion with the DDS.
 
Absolute pressure sensors
Introduction
The engine control system of the Multistrada 1200 is equipped with two absolute pressure sensors, with one connected to the intake duct of each cylinder (MAP 1 cylinder 1 – horizontal - MAP 2 cylinder 2 – vertical). They are used by the control unit to determine the quantity of fuel to be injected according to the speed-density strategy and to determine the atmospheric pressure (necessary information to correct the carburation in accordance with the altimetric measurement).
Components assembling position
The absolute pressure sensor 1 (horizontal cylinder) is mounted near the engine control unit (the image also shows the location of the sensor connection).
The absolute pressure sensor 2 (vertical cylinder) is mounted near the airbox (the image also shows the location of the sensor connection).
Wiring diagram
O Absolute pressure sensor 1, horizontal cylinder. CCM engine control connection, 1 ground, black/purple - Bk/V, 2 power (5V), brown/purple – Bn/V, 3 signal generated, green/white – G/W.
V Absolute pressure sensor 2 vertical cylinder. CCM engine control connection, 1 ground, black/purple - Bk/V, 2 power (5V), brown/purple – Bn/V, 3 signal generated, green/white – G/W.
In the event of fault
In the event of a fault of absolute pressure sensor 1, the engine control unit uses the information from absolute pressure sensor 2 instead.
In the event of a fault of absolute pressure sensor 2, the engine control unit uses the information from absolute pressure sensor 1 instead.
In the event of a fault of both absolute pressure sensor 1 and absolute pressure sensor 2:
-
-
Fault codes generated and possible correlated faults
Fault codes generated by the engine control unit and displayed by the DDS (MAPS 1 sensor diagnosis – MAPS 2 sensor diagno­sis):
-
-
-
Note
Check integrity of electric circuit – short-circuit to Vdc = with instrument panel on, using a voltmeter, a voltage is measured be­tween the wire tested and ground.
Check integrity of electric circuit – short-circuit to ground = with the battery cables disconnected, using an ohmmeter, continuity is detected between the wire tested and ground.
Check integrity of electric circuit – open circuit = with the battery cables disconnected, using an ohmmeter, no continuity is de­tected between the two ends of the wire tested.
 
The dashboard service display shows the error “Pressure” and the EOBD warning light activates.
 
Possible correlated faults: inadequate engine power, irregular idle speed (target idle speed is 1350 rpm with engine stabilised at operating temperature). Check:
-
-
-
-
 
The DDS may be used to read the absolute pressure value within the two intake ducts.
If none of the aforementioned tests identify the problem and the absolute pressure sensors are in proper working order, replace the engine control unit.
Component replacement methods
No special measures are necessary in order to replace absolute pressure sensor 1 and absolute pressure sensor 2, (check integ­rity of the rubber pipes via which they are connected to the two intake ducts). After replacing one or both of the pressure sensors, reset the self-adaptive parameters relative to carburetion with the DDS.
Oxygen sensors
Introduction
An ON-OFF type oxygen sensor (in normal operating conditions, the voltage generated by the sensors switches between a value close to 1V and a value close to 0V) is mounted on each of the exhaust headers of the Multistrada 1200.
Each oxygen sensor has its own internal heater, which receives 12V and has a ground connection controlled by the engine control unit with a PWM (Pulse Width Modulation) signal.
Example of a PWM signal used by the engine control unit to control the oxygen sensor heater. While the signal period is constant, the duration of the part of the signal at 0V (ground) changes, varying the time during which the heater remains electrically pow­ered (if the ground period is close to the signal period, the heater functions continuously, if the ground period is short, the heater functions in short intervals, whereas if the ground period is zero, the heater is not functional).
Component assembling position
The two images show the oxygen sensor mounted on the exhaust header for the vertical cylinder and the sensor mounted on the exhaust header for the horizontal cylinder.
Location of vertical and horizontal cylinder oxygen sensor connections
Connection wiring diagram
O horizontal cylinder oxygen sensor, CCM engine control connection. 1 green/yellow – G/Y and 2 black/purple – Bk/V horizontal cylinder oxygen sensor signal input into ECU, 4 PWM signal for controlling horizontal cylinder oxygen sensor heater, light blue/yellow – Lb/Y, A KEY ON positive (+15 from Hands free relay 30) powering horizontal cylinder oxygen sensor heater.
V vertical cylinder oxygen sensor, CCM engine control connection. 1 green/purple – G/V and 2 black/purple – Bk/V vertical cylinder oxygen sensor signal input into ECU, 4 PWM signal for controlling vertical cylinder oxygen sensor heater, light blue/grey – Lb/Gr, A KEY ON positive (+15 from Hands free relay 30) powering vertical cylinder oxygen sensor heater.
In the event of fault
In the event of a fault of one or both oxygen sensors or their respective heaters:
-
-
-
Fault codes generated and possible correlated faults
Fault codes generated by the engine control unit and displayed by the DDS (Vertical O2 sensor diagnosis – Horizontal O2 sensor diagnosis – Vertical O2 heater diagnosis – Horizontal O2 heater diagnosis):
-
-
-
-
-
Note
Check integrity of electric circuit – short-circuit to Vdc = with instrument panel on, using a voltmeter, a voltage is measured be­tween the wire tested and ground.
Check integrity of electric circuit – short-circuit to ground = with the battery cables disconnected, using an ohmmeter, continuity is detected between the wire tested and ground.
Check integrity of electric circuit – open circuit = with the battery cables disconnected, using an ohmmeter, no continuity is de­tected between the two ends of the wire tested.
 
The dashboard service display shows the error “Lambda“ (Lambda sensor) and/or the error “Lambda heater” (lambda sensor heater).
 
Possible correlated faults: power delivery uneven when exiting idle speed state, irregular idle speed (target idle speed is 1350 rpm with engine stabilised at operating temperature). Check:
-
-
If power supply voltage (12 V – KEY ON) is present on PIN 3 of the lambda sensor (if not, consult Sect. 6 - 7 “The Hands Free system).
-
-
-
-
 
If the DDS displays the self-adaptive parameters, this indicates that the engine control system is operating in a closed loop with the oxygen sensors. The DDS also displays the voltages generated by the oxygen sensors (which must oscillate on average be­tween approximately 0.1 V and approximately 0.8 V). Note that the self-adaptive parameters should not approach the upper and lower extremes of this range as this would indicate that the fuel-air mixture is too rich or too lean.
The graph shows the typical pattern for the voltage generated by the oxygen sensor with the engine at idle speed and at operating temperature. This voltage may be tested with an oscilloscope or even with a voltmeter, as it oscillates at low frequency.
 
If none of the aforementioned tests identify the problem and the oxygen sensors are in proper working order, contact Ducati.
Component replacement methods
No special measures are necessary in order to replace the oxygen sensors. After replacing one or both of the oxygen sensors, reset the self-adaptive parameters relative to carburetion with the DDS.
 
1